怀化学院

  • 官方网址: http://www.hhtc.edu.cn
  • 官方电话:0745-2853370
  • 电子邮箱:hhxyzsb@vip.163.com
  • 院校地址:怀化市鹤城区怀东路180号

机械设计制造及其 自动化-《机械基础》考试大纲

《机械基础》专升本考试大纲

 

怀化学院

 

一、课程基本信息

本课程是机械专业的专业必修课,让学生联系实际进行理论学习,让学生掌握机械基础知识,同时培养学生的机械分析能力,为这些专业的学生学习后续专业课程,提供一个专业基础知识平台。课程主要包括三大部分:工程材料及热处理、机械原理与设计、公差与配合。

二、课程考试目的

通过本课程的考试,以检验学生对机械技术的基本知识和基本技能的掌握程度,考核学生分析机械的功能、动作及应用一般机械能力的初步具备程度。

三、考试内容与要求

第一部分 工程材料及热处理

第一章 铁碳合金材料

考核要点:

1、 能看懂铁碳合金相图,准确地说出相图中特征点线的含意,并根据相图判断常温下合金的金相组织结构;

2、了解钢的分类,准确理解钢的牌号,机械零件常用钢的性能及用途,以及Q215、Z45、65Mn、20Mn钢等结构钢的用途,了解牌号9SiCr、W18Cr4V、YG6X、YT30等工具钢的用途;

3、能够识读铸铁的牌号,了解铸铁的种类,了解铸铁的用途。

第二章 铝及铝合金

考核要点:

1、识读铝合金的牌号和用途;

2、形变铝合金的工艺性能。

第三章 热处理

考核要点:

1、钢的热处理种类及应用场合;

2、35钢、65Mn钢、9SiCr的热处理方法及意义;

3、了解热处理后金相组织变化。

第二部分 机械原理及设计

第一章 平面四杆机构

考核要点:

1、运动副的概念、自由度的计算;

2、平面四杆机构的结构、种类;

3、极位夹角、急回特性、死点、压力角的概念。

第二章 齿轮机构

考核要点:

1、齿轮的种类及特点;

2、直齿圆柱齿轮的结构计算;

3、齿轮轮系的类型,定轴轮系传动比的计算。

第三章 螺纹连接及传动

考核要点:

1、螺纹的类型及用途、螺纹连接的类型;

2、普通螺纹的结构,标识;

3、螺栓连接的强度计算;

4、螺纹传动的应用。

第四章 轴系

考核要点:

1、轴的常用材料及热处理;

2、轴的结构设计;

3、滚动轴承的结构,深沟球轴承、角接触球轴承、推力球轴承、圆锥滚子轴承的牌号和用途。

第三部分 公差配合

考核要点:

1、公差与配合的概念;

2、公差带图的应用与计算;

3、配合的种类及计算;

4、公差代号及标注,配合标识及应用。

 

四、考试方式与时间

考试方式:笔试,闭卷

考试时长:2小时

五、考试题型结构及分值分布

考试试卷总分100分。考试题型分为6大类: 1、填空题(15分);2、单项选择题(15分); 3、 判断题(15分);4、简答题(20分); 5、计算题 (23分) ;6、分析题(12分)

 

六、教材与参考书目

教材:《机械基础》第1版,杨明霞主编,北京理工大学出版社,2016.1

参考书目:

1、《机械基础教学参考书》第4版,孙大俊主编,中国劳动社会保障出版社,2007.9

2、《机械基础》刘跃男主编,高等教育出版社,2010.6

 

 


附录:题型举例

一、填空题 (每空1分,共15分)

钢铁整体热处理大致有退火、         )         )         )四种基本工艺。

 

二、选择题(每小题1分,共15分)

1、退火热处理适合于(   )

A  塑料材料     B  削除内应力    C  20钢     D  钢的淬火

 

、判断题(每小题1分,共15分,正确的请打√,错误的请打×)

1、构件都是由若干个零件组成。(   )

 

、简答题(每小题5分,共20分)

1、某零件的直径为φ35mm,请问该零件的公差是多少?合格零件的尺寸范围是多少?

 

五、计算题(共23分)

1、有一普通螺旋机构,双线螺纹,螺距P=3 mm,试求当螺杆以45r/min旋转,螺母移动的速度。

 

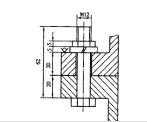
六、分析题(12分)

试找出图中螺纹联接结构的错误,说明其原因,并在图上改正。(被联接件材料已知,联接件均为标准件)

image.png